

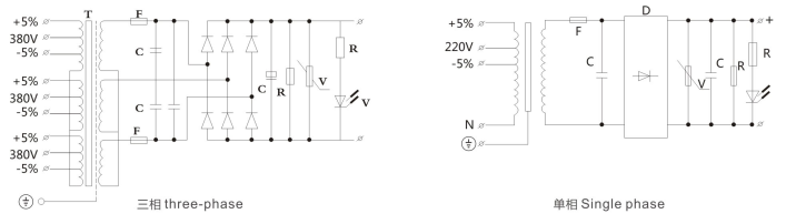
DZD和SZD直流电源是我公司研制开发的新颖紧凑型电源,具有结构紧凑、外形美观、文波小、功耗低、容量大、防护等级较高等特点。使用于交流50Hz(或60Hz)、额定输入电压不超过500V、额定输出电压为DC24V的电路中,用作各行业多种设备一般电气控制的直流电源。

产品复合IEC标准;
变压器与整流电源一体化、结构紧凑、外形美观变压器与整流电源一体化、机构紧凑、外形美观。
额定输入电压带有±5%抽头;
铁芯采用气体保护氩弧焊工艺、无气隙、无噪音、损耗小;
大电容滤波,文波系数<5;
内装压敏电阻,进行过电压保护;
快速熔断保护;
防护等级达IP20,能有效达到触摸保护要求。
无锡博得顺科技有限公司,专营 JBK3系列机床控制变压器
JBK4系列机床控制变压器 JBK5系列机床控制变压器 JBK6/7系列机床控制变压器 DZD SZD直流电源
GSG系列三相干式变压器 LKSG系列三相干式滤波(调谐)电抗器 HKSG交流输入电抗器等业务,有意向的客户请咨询我们,联系电话:13606181727
CopyRight © 版权所有: 无锡博得顺科技有限公司